摘 要:随着高速公路数量和高速公路沿线的机电设备的增加,传统的人工管理高速公路沿线机电设备的方式已远远不能满足高速公路交通安全畅通的要求。高速公路向着智能化和电力化发展的今天,电力控制智能化技术逐渐得到了广泛应用和快速发展,不仅促进了高速公路运输能力的增强,实现高速公路使用寿命的延长。同时新能源的发展,分布式光伏在高速公路的铺设,增加了高速供电的多样性,也加剧了高速供电可靠的压力。因此本文设计提供一套包括光伏监测、电力监控、电能计量、电能质量治理、能耗分析、电气安全、运维巡检管理等技术服务的一体化能源管理系统,以保障高速公路沿线的安全性、合理性用电和可靠性。
关键词:高速公路;智能化;分布式光伏;供电可靠
1 概述
济南至潍坊高速公路项目,项目全长162公里,设计速度120公里/小时,双向六车道,路基宽34.5米。设隧道10座,特大桥11座,大桥30座,互通立交20 处、服务区3处、养护工区4处、监控通信分中心3处、匝道收费站15 处、互通立交连接线4处。潍坊至青岛连接线项目,项目全长47公里,设计速度120公里/小时,双向六车道,设特大桥2座、大桥14座、互通立交7处、服务区1处、养护工区1处、监控通信分中心61处、匝道收费站4处。上述两个项目合称济青中线项目。
本项目中包含智慧供电的主要光伏棚洞上设置光伏发电系统,光伏发电交流并网为隧道照明系统提供电力能源,节省隧道后期运营费用。马家峪隧道进一步提高光伏发电利用效率,设置为光伏直流电源直供隧道照明灯具,更大限度的利用光伏绿色能源。
另一方面,部分隧道变电所万昌溜隧道出口、双子山隧道出口、马鞍山隧道出口采用模块化预装式变电站,包含变电站综合能源管控系统,为隧道的智慧供配电保驾护航;同时预制模块化缩短施工工期,保证施工质量,节约洞口占地面积,适用于洞口空间狭小的隧道。
2 项目方案
2.1项目需求
监控系统功能要求
数据采集功能:采集监测线路的电压、电流、有功功率、无功功率、频率;采集变压器温度等;采集监测断路器状态和开关状态信号。
屏幕显示功能:画面美观、清晰、色彩鲜明柔和,窗口界面风格统一;显示画面可以多窗口显示;显示一次结线图实时工况,遥测参数表(带限值),曲线(负荷曲线、电压曲线等),具有历史数据的图表显示功能。
报表打印功能:系统具有简单、方便、灵活的报表生成子程序,可以打印多种类型的日、月、年报表,日报表可以保存一月,月报表可以保存一年,年报表可以保存十年。
事件记录和追忆功能:系统对开关跳、合闸可以记录打印,相应显示画面变色、闪光、报警,屏幕显示事件信息;系统对模拟量产生越限值时,可以打印记录并报警;系统具有事件追忆功能;系统自动记录所发生的各类事件,便于操作人员了解供配电系统历史情况;系统应具备潮流分析表。
人机会话功能:操作界面非常友好,菜单操作,重要操作有口令要求;操作界面全汉化;语音报警。
2.2产品需求
1)ANet通讯管理机
监控系统的通信层由光纤通讯网络、各变电所/箱变的智能通讯管理机和光纤冗余工业以太网交换机组成。变电所通过本路段高速公路主干通信网络,把电力监控数据传输到对应的路段监控分中心监控分中心电力监控主机。
通信管理机技术要求:
在各变电所/箱变设置一台智能通讯管理机,负责实现变电所/箱变内各监控设备的通讯管理、信号传输等功能。其主要功能如下。
采用高性能的嵌入式 CPU,具有高速运算、通信及数据处理能力。
具有 2 个 10/100M 网口、8 个高速串行口(包括 RS232、 RS485)
具有多种通信规约,包括 MQTT规约、IEC103\104 协议、IEC 61850协议、MODBUS协议等。
2)AM4保护装置
高压系统设置微机综合保护测控装置,对 10kV 进出线、母线分段、变压器组等回路进行继电保护和运行测控。电力监控系统与微机保护测控装置进行通信实时监测各进线、出线的运行状态。
10kV 进线出线:设置微机保护测控装置,可实现就地、远动的保护、测控功能。
10kV 母线分段:设置带 BZT 功能的微机保护测控装置,可实现就地、远动的保护、测控功能。
变压器:设置微机变压器保护测控装置,可实现就地、远动的保护、测控功能,电力监控通过干变内部预先埋设的温度传感器和相应的智能温控仪对干变的温度信号、超温报警、变压器风机工作状态等变压器运行状态进行监测。
高压 PT:设置微机综合 PT 测控装置,实现 PT 的电压监测等功能。
至少具有8路模拟量通道,至少12路交直流两用、110V/220V自适应的开关量输入。至少5路开关量输出;所有接口资源均支持图形化可编程、任意配置。至少具有1个RS485通信接口。
3)ARD低压马达保护
对电动机运行过程中出现的起动超时、过载、断相、不平衡、欠载、接地/漏电、阻塞、短路、外部故障等多种情况进行保护,并设有SOE故障事件记录功能,方便现场维护人员查找故障原因。保护器需具有RS485远程通讯接口,DC4~20mA模拟量输出,方便与PLC、PC等控制机组成网络系统。实现电动机运行的远程监控。
4)AMC多功能数字式电表
进线回路:0.4KV 配电柜进线单元和发电机进线柜、联络开关柜等,对相应回路均配置一台智能多功能电力监控仪表,监测其有功 P、无功 Q、三相电压 U、三相电流 I、功率因数 COSΦ;监视开关位置信号、回路分合闸状态、故障脱扣信号等;并对进线开关(低压断路器含电操等自动机构)进行远程分合闸控制。
出线回路:对 0.4KV 低压开关柜的每一回出线回路,均配置一台智能三相电力监控仪表,监测该回路的电压、电流、有功、无功、电度并在当地显示,随时了解供电回路的负荷情况;并监视开关位置信号、回路分合闸状态等。
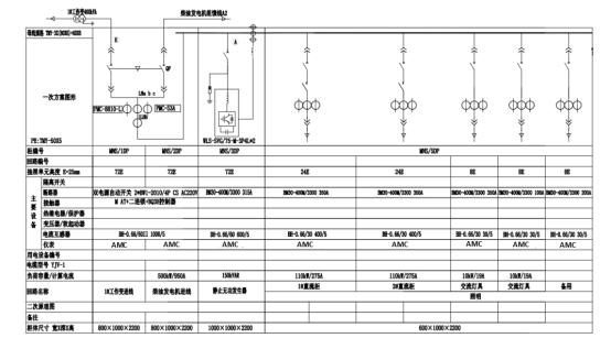
2.3产品上图方案
本工程10kV/0.4kV配电工程共有18个变电所,以马家峪隧道1#变电所为例,上图方案如下:

图1马家峪隧道1#变电所10kV上图方案


图2马家峪隧道1#变电所0.4kV上图方案
2.4产品明细
整个高速公路项目共有18个变电所,各变电所所设产品类型及数量如下:




上述所有变电所共计71台微机保护装置AM4,272台电力仪表AMC96L,666台电力仪表AMC72L,324台马达保护ARD2M,18个ANET网关,1套电力监控系统。
3 系统组网
项目通过AcrelEMS-HIW高速公路综合能效系统,主要实现实现实时大屏显示各个配电场景情况,对济南至潍坊高速公路沿线的变电站内的高低压配电设备、微机保护装置、电能表、马达保护、变压器、EPS、UPS、柴发、红外测温和光伏发电等进行实时分布式监控和集中管理。本系统由用户管理层、网络通信层、现场设备层三部分组成,现场设置的电能表采用屏蔽双绞线连接至各分区数据采集器,各分区数据采集器将数据分类处理后,通过网线连接至局域网交换机上传至高速公路综合能效系统主机,实现综合能效管理功能。

图3 系统拓扑图
4 系统功能
1)电力综合看板:可查看整个平台的一个概况,包括变电站数量、变电站分布位置;变压器数量、总装机容量,统计出的整个系统当前的总功率和当日的总用电,也可监测网关、仪表的运行状态;展示了接入的光伏站点的信息,包括发电功率和当日发电量;还有运维任务的情况,在办、办毕的个数,统计出任务完成率;报警情况统计,统计出报警程度的分布情况,报警滚动显示,平台当月每天的报警数量统计。
2)全路段监控:沿途数十几个配电房绘制在一张K线图里面,点击每个站跳转相关配电图画面显示,使整条高速公路的配电系统一图掌握。
3)光伏监测:以配电图的形式直观显示光伏电站的运行状态, 实时监测各逆变器的电压、电流、输出功率等电参量。展示当前光伏电站发电功率,补贴电价,峰值功率等基本参数。统计当前光伏电站的日、月、年发电量及发电收益。

图4 发电效率监测图
逆变器状态:日、月、年发电量及发电收益显示。显示逆变器功率、环境辐照度曲线。 直流侧电压电流查询。逆变器曲线分析:展示交、直流侧电压、功率、辐照度、温度曲线。

图5 逆变器状态监测图
4)实时监测:以配电一次图的形式直观显示配电线路的运行状态,可以实时监测各回路电压、电流、功率、功率因数等电参数信息,动态监视各配电回路断路器、隔离开关、地刀等合、分闸状态。
5)环境监测:气体、烟感、水浸、红外双鉴、视频、气候、视频监测风机/空调/水泵控制、声光报警。

图6 环境监测图
6)电参量查询:在配电一次图中,可以直接查看该回路详细电参量,包括三相电流、三相电压、总有功功率、总无功功率、总功率因数、正向有功电能等。
7)运行报表: 查询各回路或设备时间的运行参数,报表中显示电参量信息应包括:各相电流、三相电压、总功率因数、总有功功率、总无功功率、正向有功电能等,报表格式有日报表、月报表、年报表等。

图7 运行报表界面
6)实时告警:能够对配电回路断路器、隔离开关、接地刀分、合动作等遥信变位,保护动作、事故跳闸等事件发出告警。

图8 事件告警界面
7)历史事件查询:能够对遥信变位,保护动作、事故跳闸,以及电压、电流、功率、功率因数越限等事件记录进行存储和管理,方便用户对系统事件和报警信息进行历史追溯,查询统计、事故分析。
8)事故追忆:能够自动记录事故时刻前后一段时间的所有实时稳态信息,包括开关位置、 保护动作状态、遥测量等,形成事故分析的数据基础。
9)曲线查询:能够查询实时曲线和历史曲线,包括三相电流、三相电压、有功功率、无功功率、功率因数等所有遥测量。
10)用户权限管理:设置了用户权限管理功能,通过用户权限管理能够防止未经授权的操作(如遥控的操作,数据库修改等)。系统可以定义不同操作权限的权限组(如管理员组、工程师组、操作员组等),在每个权限组里分配不同用户,为系统运行、维护、管理提供可靠的安全保障。
11)遥控功能:根据电力规程要求,可以对整个配电系统范围内的设备进行远程遥控操作。
12)通信管理:可以对整个配电系统范围内的设备通信情况进行管理、控制、数据的实时监测。
6 结语
高速公路隧道的供配电系统在整个高速公路的正常运行中具有十分重要的地位和重要的价值,因此保障高速公路隧道供配电系统的正常运行是高速公路建设的重中之重。AcrelEMS-HIM高速公路综合能效管理系统除对高速公路沿线变电所内的配电设备、发电机、变压器、UPS、EPS等进行实时分布式监控和集中管理外,还对高速公路上的分布式光伏发电数据和逆变器状态等实时监测,并结合环境进行光功率预测,使高速公路子在保证供电多样性和节能的前提下,高速公路沿线供电可靠稳定,确保高速公路安全畅通, 提高自动化管理水平, 降低机电设备的运行维护成本。
参考文献
[1] 安科瑞企业微电网设计与应用手册.2020.6月版
[2] 安科瑞35KV以及下变电所智能配电系统设计与产品二次原理图集.2020.10月版
[3] 安科瑞用户变电站综合自动化与运维解决方案.2020.5月版