摘 要:分布式光伏项目作为清洁能源转型的核心实践,通过创新性空间利用与技术创新,破解了能源开发与土地资源约束的矛盾。在高速公路沿线闲置空地建设光伏电站,充分发挥其分散化布局、权属清晰的特点,既避免与传统农业及城市建设争地,又实现“土地增值”与“绿色能源生产”双目标。防孤岛保护作为保障电网安全运行的核心设备,可以防止电网断电时光伏系统仍持续向电网供电(即“孤岛效应”),具有保护运维人员、电网与设备安全,维持电网的稳定运行等功能。
关键词:分布式光伏;高速公路;防孤岛保护
1.概述
在全球能源结构向低碳化转型的背景下,分布式光伏发电凭借其灵活性与清洁性,成为推动可再生能源规模化应用的核心路径。[1]然而,传统光伏项目面临土地资源紧缺的瓶颈,而高速公路沿线闲置空地为这一难题提供了创新解决方案。
在分布式光伏并网系统中,防孤岛保护装置是保障电网安全运行的核心技术。[3]其通过主动锁相环与频率偏移注入技术,实时监测电网状态,一旦检测到电网断电,可在0.2秒内切断光伏输出,避免孤岛效应引发的触电风险与设备损坏。
大塘至浦北高速公路光伏发电项目(以下简称“本项目”)是响应国家“优化能源结构,提供更加清洁、可靠的能源”的号召,投资建设的分布式光伏发电应用示范项目。
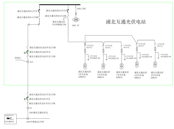
本项目位于钦州市大塘至浦北高速公路浦北县浦北互通路段,利用高速公路沿线边坡建设分布式光伏发电站,项目采用“全额上网”模式,利用高速公路沿线斜坡建设分布式光伏发电项目,总建设规模约为3.31MWp。通过原有10KV六桥线接入电网的接入系统,属于钦州市供电公司管理范围。
本期项目采用光伏组件,总容量为3.31WM,本项目电量结算原则为:全额上网。项目计划2025年4月底建成投产。本项目二次设计选用安科瑞Acrel-1000DP分布式光伏监控系统解决方案,光伏监控平台在配套操作系统下运行,使得本地保护、监控方案更为稳定可靠。通过本次分布式光伏的投建与实施,为用户提供了清洁、可再生的电力能源,有助于减少对传统能源的依赖,降低碳排放。
本文介绍光伏电站接入系统方案的论证,系统继电保护及安全自动装置、系统通信、系统调度自动化方案研究等

图1 项目现场图
2.解决方案
本项目为屋顶分布式光伏项目,该期项目的容量为3.31MW,项目采用全额上网的消纳方式。新增并网点设置光伏出线柜柜,计量柜,PT柜,光伏进线柜。新增的光伏系统配置自动化系统,实时采集并网信息,信息上传至当地调控中心DMS系统。光伏发电逆变器电源电压为800V,经箱变升压变升压至10kV后,通过高压电缆接入新增的10kV光伏进线柜,通过并网柜并入原有10KV六桥线。项目采用Acrel-1000DP光伏监控平台。监控平台具有对全站数据的实时观测、事故告警提示等功能。

图2 项目电站编号图
3.技术方案
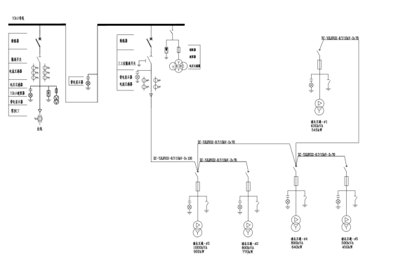
本项目规模约为3.31MWp,利用高速公路沿线空地建设光伏发电系统,关键设备光伏组件、逆变器、变压器等采用国内产品。分布式光伏系统所发电量采用全额上网。本项目光伏发电系统所输出的直流电经组串式逆变器转换成交流电后,就地升压至10KV,经开关柜通过1回出线接入至一次仓10KV并网柜母线,并网柜传输光伏发电至柱上开关进行并网。本工程规划拟建装机容量为3.972MWp,交流侧容量为3.31MW,按照光伏电站使用寿命25年进行计算得到,本项目平均每年发电容量为464.23KWh,25年总共发电量为11605.73KWh,计划投产时间2025年,拟采用“全额上网”模式。
3.1升压变压器及高低压配电设备
本项目配备1台三相交流1000KVA的干式变压器、两台三相交流800KVA的干式变压器、一台三相交流500KVA的干式变压器、一台三相交流630KVA的干式变压器。额定电压10.5±2×2.5%/0.8kV,接线组别为 Dy11。交流频率为50Hz,可以户外使用,能效等级满足国家规范要求。

图3 新建光伏一次图
3.2继电保护及安全自动装置
本光伏电站内主要电气设备采用微机保护,以满足信息上送。元件保护按照《继电保护和安全自动装置技术规程》(GB14285-2006)配置。
1)防孤岛检测
本项目配置的AM5SE-IS防孤岛装置主要用于35KV、10KV以及低压380V光伏发电、燃气发电等新能源并网供电系统。具有三段式过流保护、反时限保护、两段式零序IO过流/IO反时限过流保护等保护功能。防孤岛装置具有以下作用1:保护人员安全:在电网或光伏侧失电时,防孤岛装置能迅速动作,切断并网点,避免维修人员在不知情的情况下接触带电部分,从而保障其生命安全。2:防止电网冲击和设备损坏:通过快速切断连接,防孤岛装置防止了孤岛效应可能导致的电压和频率异常,从而避免了这些异常对电网和光伏设备造成的冲击和损坏。3:提高系统可靠性:通过实时监测和快速响应,防孤岛装置有助于维持光伏并网系统的稳定性,从而提高其与大电网的功率平衡,增强系统的整体可靠性。
分布式光伏项目逆变器需要具备快速检测孤岛且监测到孤岛后立即断开与电网连接的能力,其防孤岛方案应与继电保护配置、安全自动装置和低电压检测装置等相配合,时间上相匹配。符合国家电网的相应规定。
2)并网线路继电保护及安全自动装
分布式光伏项目线路发生短路故障时,线路保护应快速动作,瞬时跳开相应并网点断路器,满足全线故障快速可靠切除故障的要求。安装光伏发电项目的用户变电站10kV母线应配置故障解列装置,实现频率电压异常紧急控制功能,跳开相应断路器(专用开关)。
3)电能质量监测装置
分布式光伏项目对接入国网的电能质量有着相应的要求。根据国家标准,光伏发电项目的电能质量应符合《GB/T 15543-2008 光伏发电系统接入电网技术规定》等相关标准。这些标准规定了光伏发电系统接入电网的电能质量参数,包括电压、电流、频率、谐波含量等,以确保光伏发电系统与电网的稳定运行和电能质量的可靠性。
4)AGC/AVC装置
根据南网调度部门的设计要求分布式光伏项目对接入南网需要满足《光伏发电系统接入配电网技术规定(GB/T 29319-2024)》。配置AGC/AVC装置可以实现对逆变器有功功率和无功功率进行调节,满足设计所要求的“四可(可观、可测、可控、可调)”。

图4 AGC/AVC采集配置图
5)态势感知装置
根据《南方电网分布式新能源并网网络安全防拍方案》(办总调(2022)7号附件1)分布式新能源场站配置配网安全防护装置,并实现网络安全威胁的实时监测与审计,上送电力监控系统网络安全态势感知系统。配置态势感知装置能够及时的监测出潜在风险,在遭遇风险攻击时能够及时发出告警。
4.系统结构
本项目光伏电站配置一套综合自动化系统,采用安科瑞电气股份有限公司所提供的Acrel-1000DP分布式光伏电力监控系统具有保护、控制、通信、测量等功能,可实现光伏发电系统、开关站的全功能综合自动化管理。本项目逆变器、高低压设备等状态信号均接入本监控系统。
本项目光伏电站监控系统包括两部分:站控层和就地层,网络结构为开放式分层、分布式结构。
监控系统通过以太网与就地层相连,就地层按照不同的功能、系统划分,以相对独立的方式分散在逆变器区域或箱变中,在站控层及网络失效的情况下,就地层仍能独立完成就地各电气设备的监测。计算机监控系统通过远动工作站GPRS公网与六安市电力公司实现数据通讯。
站控层由计算机网络连接的服务器、操作员站、远动站等组成,提供站内运行的人机界面,实现管理控制就地层设备等功能,形成全站监控、管理中心,并具备与远方控制中心通信的接口。
就地层设备由智能测控单元、网络系统通讯单元、逆变器数据采集单元、多功能电能表等构成,主要电气设备包括逆变器、箱变、并网开关。它直接采集处理现场的原始数据,通过网络传送给站控层监控主站,同时接收站控层发来的控制操作命令,经过有效性判断、闭锁检测、同步检测等,最后对设备进行操作控制。
站控层与就地层之间的通讯网络采用GPRS无线通讯网络。
每个光伏发电单元配带无线发射功能的数据采集装置,采集每组光伏组件数据,逆变器参数,测控装置、智能计量表计的数据,打包后通过无线网络传输给监控系统实现监视。

图5 监控系统网络结构图系统功能
实时监测
Acrel-1000DP分布式光伏监控系统人机界面友好,能够以配电一次图的形式直观显示配电线路的运行状态,实时监测各回路电压、电流、功率、功率因数等电参数信息,动态监视各配电回路断路器、隔离开关、地刀等合、分闸状态及有关故障、告警等信号。同时可以设计整体界面,供用户选择对应配电房对应光伏组件或高压部分进行查看。

图6 实时监测一次干线功能图
光字牌监测
在光字牌监测图中,可以直接查看各个保护装置的遥信状态信息。可以根据这些信息监测现场电力运行是否出现事故以及告警信息,同时可以查看断路器的状态,方便用户监测全站的开关状态。

图7 光字牌监测功能图
实时曲线监测
在实时曲线监测界面中,用户可以根据需求直接选择所想要查看的数据,选择后可在界面中实时显示数据的变化,方便用户分析数据的变化情况,目前实时曲线支持至多四条曲线同时变化显示。

图8 实时曲线监测功能图
实时报表监测
在实时报表监测界面中,用户可以根据需求直接选择所想要查看数据的设备,能查询各回路或设备实时的运行参数,报表中显示的电参量信息应包括:各相电流、三相电压、总功率因数、总有功功率、总无功功率、电能,遥信量等。遥测量包括实时值(处于不同状态时应给以不同颜色区分)、测点状态(越限、置入、通信异常等)及其发生时间、日平均值等。遥信量包括实时值(处于不同状态时应给以不同颜色区分)、测点状态(置入、通信异常等)、日变位次数等,报表可以导出和打印。

图9 实时报表监测功能图
4.结语
在“双碳”背景下,随着分布式新能源的广泛建设,高速公路的陆域经济得到了国家的相关政策的支持,展开了对陆域经济光伏发电项目整体运行模式的创新研究,深入挖掘高速公路陆域经济发展的潜力。[3]本项目积极响应了国家的号召,大力发展高速公路陆域光伏建设,在发展的同时需要符合当地供电局对电力安全的要求。因此分布式光伏并网过程中需要使用到一套安全可靠的分布式光伏监控系统解决方案,我司的电力监控系统方案能够为用户、电网助力分布式光伏高比例有序并网,强化分布式光伏的统一管控,具有能够推动分布式光伏和大电网的协调运行,搭建数据透明、调控便捷、能源互动的新型分布式新能源调度管理的体系。