摘 要:随着我国新能源市场规模的扩大,光伏发电、风电等可再生能源的大规模并网推动了源网侧储能配置需求的增长,系统对储能资源的配置与利用要求也进一步提高。本文介绍的能量管理系统、继电保护、电能质量在线监测装置等硬件配套设备,可实现岷山环能高科储能项目中储能电站数据的采集、处理及上传调度,并保障电力系统的安全稳定运行。
关键词:并网;储能;能量管理系统;继电保护;电能质量在线监测装置
1 概述
岷山环能高科储能电站为浙江申光电气有限公司的储能项目,该公司聚焦电力行业节能技术研发,涵盖储能、光伏、风电场相关装销售等新能源领域,同时从事高压电器元器件、成套高低压开关设备及户外真空断路器的研发、设计、生产及销售。
本电站位于河南省安阳市龙安区岷山环能高科股份公司北侧空地,占地面积约2116平方米,规划设计至大功率17.25MW,总装机容量33.5 MWh,采用磷酸铁锂电池,储能单元由储能电池-储能变流器-变压器构成,预计年放电量1386万度。项目共配置10座储能电池舱、5座升压一体舱、1座储能预制舱以及1座10kV电站。根据项目技术协议要求、系统拓扑图结构并借鉴当地类似项目调度经验的基础上,对本项目进行评估,制定经济有效的系统解决方案,确保储能电站的安全可靠运行。


2 项目情况
该储能项目采用3.45MW/6.7MWh-1500V液冷系统标准储能单元5套,每个储能子系统通过一台箱逆变一体机升压至10kV后汇流,经由10kV电缆集电线路接入升压站10kV配电装置。项目共有2个并网柜,2套储能单元经升压变汇集到10kV预制舱的I段母线上,经并网出线柜接入到原有配电室的接入柜;3套储能单元经升压变汇集到10kV预制舱的II段母线上,经并网出线柜接入到原有配电室的接入柜。需配置硬件及计算机监控系统软件实现全站数据的安全监护及实时监测。储能电站场区布置1套环境辅控系统,通过球机摄像头、水浸烟感等传感器,实现全站安全、防盗功能配置,监测、调节并管理现场环境参数,保障设备安全运行。

图1 储能站电气主接线图

图2 储能站总平面布置图
3 技术方案
本储能项目的发电上网模式要求“自发自用,余电不上网,因此需配置防逆流保护装置。原有配电室为10kV的两进线一母联的供电系统,要求逆流不允许返送到10kV进线处,故需要监测10kV进线处是否有逆流产生。由于并网点与10kV公共连接点距离较远,需配置主从机方案的防逆流保护装置。并在原有10kV配电室到储能一次仓之间配置光纤差动保护装置;储能一次仓并网柜配置安全自动装置屏(防止于二次舱室),含防孤岛保护、电能质量监测装置、故障解列装置、公共测控装置。储能一次仓其他回路配置线路保护、站用变保护和光纤差动保护。
储能监控系统整体架构为站控层、通讯层及设备层,通过通讯管理机、交换机、光纤收发器等设备将设备层的信息进行采集和处理,处理好的数据上传至本地的监控系统和远动装置,远动数据经纵向加密通过无线路由的方式上传至河南安阳调度部门。
3.1继电保护及安全自动装置
本储能电站内主要电气设备采用微机保护,以满足信息上送。元件保护按照《继电保护和安全自动装置技术规程》(GB/T14285-2023)配置。
1)线路保护装置
在储能进线处配置线路保护装置,保护功能包括三段可经复压和方向闭锁的过流保护,两段零序过流保护、过负荷、低周减载等功能,以便线路发生故障时快速切除,避免事故范围扩大。
2)光纤差动保护装置
针对并网出线柜和储能接入柜距离较远的情况,在并网出线柜和储能接入柜配置光纤差动保护装置,实现纵联电流差动保护、复压闭锁过流保护、零序过流等保护功能,对此处线路进行保护。
3)变压器保护装置
在储能预制舱内站用变处配置变压器保护装置,实现过流保护、零流保护、超温等非电量保护功能。
4)故障解列装置
标准中明确要求分布式可再生能源发电系统并网时,应配置故障解列装置,包含过电压、低电压、高频、低频等保护功能,确保电网故障时及时隔离电源,保障电网安全。
5)公用测控装置
根据各地调度上传要求,公共测控装置主要实现储能站内保护装置的事故总信号、装置异常信号;电能质量监测装置的异常信号;交直流屏电压采集、故障信号、异常信号;储能预制舱内站用变及母线电压等数据采集。
6)防孤岛保护装置
分布式电源应具备快速监测孤岛且立即断开与电网连接的能力,防孤岛保护动作时间不大于2s,其防孤岛保护应与配电网侧线路重合闸和安全自动装置动作时间相配合。在本储能电站并网点装设防孤岛保护装置,防止产生非计划性孤岛。
7)电能质量在线监测装置
根据GB/T 19964的相关要求,并网点应装设满足《电能质量检测设备通用要求》GB/T 19862标准要求的A类电能质量在线监测装置,且监测点应放置在并网点。对储能电站可能引起的谐波、直流分量、电压波动和闪变、三相不平衡度、注入电网直流分量进行在线监测,装置具有通讯接口,具备远传电能质量数据功能,电能质量数据通过综合业务数据网上传至电能质量检测主站,以确保储能发电系统与电网的稳定运行和电能质量的可靠性。
3.2防逆流保护装置
由于公共连接点和储能并网点的距离有800米,故需要配置光纤通讯的主从机防逆流保护装置保护电网的安全。在总配电房2个10kV总进线配置防逆流保护主机装置,在并网柜放置防逆流保护从机装置,当市电出现逆功率时可以通过主机采集逆功率值,并经过逻辑运算后将逆功率跳闸命令通过光纤传输到从机,用从机跳开储能并网柜开关。
3.3系统调度自动化
1)Ⅱ型网络安全监测装置
Ⅱ型网络安全监测装置搭配探针软件能够实时监测系统中的网络流量和数据包,通过探针软件的深度分析,识别和记录潜在的网络安全威胁和异常行为,及时发出警报并采取相应措施,从而有效防止网络攻击、数据泄露和系统故障,为系统的可靠运行提供坚强的网络安全支撑。
2)AGC/AVC设备
本储能电站具备完整的AGC/AVC控制功能,能够与调度系统协同实现发电和电压的综合控制。有功功率控制系统具备快速调节能力,可准确响应调度指令,参与电力系统的调频、调峰及备用服务。无功电压控制系统接受调度电压控制指令,通过PCS实现动态无功功率调节,有效支撑电网电压稳定。系统采用分层控制架构,既可接受上级调度远程控制,也可根据本地策略自主调节,确保电网安全稳定运行的同时提升新能源消纳能力。
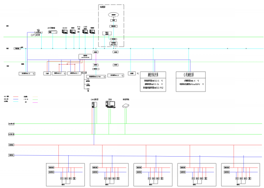
4 系统结构
为实时监视本地储能电站的运行以及数据采集,该项目配置一套Acrel-2000MG监控系统,采用了分层式架构确保了系统的有效和稳定运行,主要由三个核心部分组成:站控层、通信层和设备层。
站控层作为系统的管理和控制中心,负责集中监控和管理整个系统。操作员可以通过这一层实时监测系统状态,并进行数据分析与处理。
通信层则专注于信息的传递和数据的交互,确保了不同设备和系统组件之间的无缝连接和协同工作。该层支持多种网络拓扑结构,并能根据不同的应用场景规模和需求灵活调整,从而提升了系统的灵活性和可扩展性[2]。
设备层由各种硬件设备构成,是系统的基础执行单元。这些设备不仅实时采集现场数据,还能根据上级指令执行控制操作,是实现自动化操作的关键部分。
该储能电站为全部自用10kV电压等级接入,根据相关规定要求,应建立调度关系。将并网点设备状态、并网点电压和电流、系统有功 功率和无功功率等数据上传至配网调度部门。储能电站远动装置与站内计算机监控系统统一考虑,远动装置按1套配置,并优先选用装置型,具有与调度自动化系统交换信息的能力,远动信息满足“直采直送”。信息传送方式按需求设置,满足电网 调度自动化系统的有关要求。储能电站接入系统后,接入安阳调度,采用IEC60870-5-104 远动规约。

图3 监控系统网络拓扑
项目配置设备主要清单如下表所示:


系统可实现的功能如下:
1)实时监测:以配电一次图的形式直观显示配电线路的运行状态,可以实时监测各回路电压、电流、功率、功率因数等电参数信息,动态监视各配电回路断路器、隔离开关、地刀等合、分闸状态。
2)电参量查询:在配电一次图中,可以直接查看该回路详细电参量,包括三相电流、三相电压、总有功功率、总无功功率、总功率因数、正向有功电能等。
3)电能质量监视:在电能质量监控图中,可以直接查看电流电压总有效值、电压波动、电压总畸变、正反向有功电能、有功、无功功率等电能质量信息。可以根据这些信息监测现场电能的质量,及时的做出应对方案。

图9 电能质量监视界面
4)运行报表: 查询各回路或设备时间的运行参数,报表中显示电参量信息应包括:各相电流、三相电压、总功率因数、总有功功率、总无功功率、正向有功电能等,报表格式有日报表、月报表、年报表等。
5)实时告警:能够对配电回路断路器、隔离开关、接地刀分、合动作等遥信变位,保护动作、事故跳闸等事件发出告警。
6)历史事件查询:能够对遥信变位,保护动作、事故跳闸,以及电压、电流、功率、功率因数越限等事件记录进行存储和管理,方便用户对系统事件和报警信息进行历史追溯,查询统计、事故分析。

7)故障录波: 能够在系统发生故障时,自动准确地记录故障前、后过程的各种电气量的变化情况,通过对这些电气量的分析、比较,对分析处理事故、判断保护是否正确动作、提高电力系统安全运行水平有着重要作用。
8)事故追忆:能够自动记录事故时刻前后一段时间的所有实时稳态信息,包括开关位置、 保护动作状态、遥测量等,形成事故分析的数据基础。
9)曲线查询:能够查询实时曲线和历史曲线,包括三相电流、三相电压、有功功率、无功功率、功率因数等所有遥测量。
10)用户权限管理:设置了用户权限管理功能,通过用户权限管理能够防止未经授权的操作(如遥控的操作,数据库修改等)。系统可以定义不同操作权限的权限组(如管理员组、工程师组、操作员组等),在每个权限组里分配不同用户,为系统运行、维护、管理提供可靠的安全保障。
11)网络拓扑图:支持实时监视接入系统的各设备的通讯状态,能够完整的显示整个系统网络结构;可在线诊断设备通讯状态,发生网络异常时能自动在界面上显示故障设备或元件及其故障部位。
12)通信管理:可以对整个配电系统范围内的设备通信情况进行管理、控制、数据的实时监测。
5 现场安装图片
本项目微机保护就地分散安装在各个高压开关柜上,Acrel-2000MG监控系统主机及显示器布置于操作台上,如下图所示,该项目已送电使用,运行正常。




现场图片
6 结语
本文介绍的系统在分布式储能发电项目中起着核心作用,通过实时监测、数据采集与分析,实现对分散的储能资源的动态整合与管理。该系统与继电保护装置、安全自动装置及远动终端等硬件配合,构建多层次的安全防护体系,有效保障电网运行的稳定性与可靠性。作为新型电力系统的关键技术支撑,该系统不仅显著提升了能源利用效率,更为电网的安全经济运行提供了智能化保障,是推动能源数字化转型的重要基础设施。