摘 要:在“双碳”和新型电力系统建设背景下,分布式光伏接入比例不断提高,对配电网电压、调度运行及调峰等环节造成强烈冲击。本文设计包含平台层、设备层二层架构体系的分布式光伏管控平台,以及小容量工商业分布式光伏本地和远程通信方案,并研究分布式光伏采集模型的构建、多源数据融合估计、面向分布式光伏的有功、无功功率优化控制等关键技术,实现了对小容量工商业分布式光伏的可观可测可调可控。。
关键词:分布式光伏;光伏管控平台;远程通信
1.概述
上海华电奉贤平高食品 4408.085kwp 分布式光伏发电项目(以下简称“本项目”)是响应国家“优化能源结构,提供更加清洁、可靠的能源”的号召,投资建设的分布式光伏发电应用示范项目。上海华电奉贤新能源有限公司(以下简称“上海华电”)租赁上海平高食品有限公司厂房屋顶建设4408.085kWp屋顶分布式光伏发电项目,采用“自发自用,余电上网”方案。
本文介绍光伏电站接入系统方案的论证,系统继电保护及安全自动装置、系统通信、系统调度自动化方案研究等。
![已过滤:Acrel-1000DP在上海奉贤平高食品4.4MW分布式光伏项目中的应用[2508201426]519.png](https://img43.afzhan.com/9/20250925/638944019967083112159.png)
图 项目现场验收图
2.现有电网情况
本工程位于上海市奉贤区航塘公路 1618 号,属于上海市电力公司奉贤供电公司管理范围。目前用户配电站为 10kV 电压用户站,站内 4 台 10kV 变压器,变压器容量为(1250+1600)kVA和(1250+1600)kVA。用户甲线变压器通过 10kV 线路“22 平高食品甲”线接入利口福开关站 10kV 一段母线,再通过“梁 19 利口福甲”线接入 35kV 梁典站10kV 一段母线。用户乙线变压器通过 10kV 线路“32 平高食品乙”线接入利口福开关站 10kV 二段母线,再通过“梁 33 利口福乙”线接入 35kV 梁典站 10kV 三段母线。
本期工程光伏组件容量为 4408.085kWp,根据《国家电网分布式光伏发电接入系统典型设计》的规定和现场条件,本工程为 2 个并网点,光伏组件逆变后接入用户光伏站升压变高压侧母线的高压配电柜内。用户光伏通过 10kV 线路接入分别接入 35kV梁典站 10kV 一段母线和 35kV 梁典站 10kV 三段母线。
上海华电奉贤平高食品 4408.085kwp 分布式光伏发电项目接入方案示意图如下:
![已过滤:Acrel-1000DP在上海奉贤平高食品4.4MW分布式光伏项目中的应用[2508201426]1022.png](https://img51.afzhan.com/9/20250925/638944019959815153773.png)
图 分布式光伏发电项目接入方案示意图
3.分布式光伏监控系统技术方案
本项目规模约为 4408.085kWp,利用厂房屋顶建设光伏发电系统,关键设备光伏组件、逆变器、变压器等采用国产产品。分布式光伏系统所发电量采用就地消纳,自发自用,余电上网。本项目分为4个光伏发电分系统,光伏发电系统对应接入2台1000kVA升压变压器和2台1250kVA升压变压器。1#升压变1000kVA的发电单元采用3台300kW组串式逆变器;2#升压变1250kVA的发电单元采用4台300kW组串式逆变器;3#升压变1000kVA的发电单元采用3台300kW组串式逆变器;4#升压变1250kVA的发电单元采用4台300kW组串式逆变器,将直流电逆变为三相交流电。14台300kW逆变器分别接入对应容量的升压变低压侧,经升压变升压至 10kV。4个光伏发电单元1,2,3,4#升压变,通过2回10kV线缆送入光伏开关站内10kV汇流母线。光伏开关站采用单母接线,通过2回出线与原变电所10kV一段母线;10kV二段母线母排拼接新增间隔,接入电网。
3.1一次系统简介
本工程新增10kV开关站两座,配电装置共14面高压柜,分别为:接入柜2面、并网柜2面、计量柜2面、PT柜2面、光伏进线柜4面、无功补偿柜2面、采用单母线接线,并入电网。
![已过滤:Acrel-1000DP在上海奉贤平高食品4.4MW分布式光伏项目中的应用[2508201426]1571.png](https://img51.afzhan.com/9/20250925/638944019959502658356.png)
图 新建1#并网点光伏一次图
![已过滤:Acrel-1000DP在上海奉贤平高食品4.4MW分布式光伏项目中的应用[2508201426]1588.png](https://img45.afzhan.com/9/20250925/638944019968769668159.png)
图 新建2#并网点光伏一次图
3.2继电保护及安全自动装置配置原则
本光伏电站内主要电气设备采用微机保护,以满足信息上送。元件保护按照《继电保护和安全自动装置技术规程》(GB14285-2006)配置,贯彻执行有关设计技术规程、规定,贯彻执行国家电网公司有关系统继电保护及安全自动装置的配置和反事故措施文件精神,尽量利用原有系统继电保护装置。
1)线路保护
根据《分布式电源接入系统典型设计》,当本工程光伏电站线路发生短路故障时,要求有线路保护能快速动作,瞬时跳开相应的断路器(即光伏电站的光伏进线柜断路器),满足全线故障快速可靠切除故障的要求。
根据本工程实际,在本工程在光伏站侧配置逆功率保护,方向指向升压变。接入柜配置1套方向过流保护装置,含方向过流保护,方向指向并网线路。保护装置具备方向电流速断、过流保护、过负荷保护、零序电流保护等功能,光伏电站并网线路发生短路故障时,线路保护能快速动作跳开相应断路器,满足全线故障时快速可靠切除故障的要求。
2)母线保护
光伏电站采用单母线接线,当母线出线故障时,由母线开关处配置的方向过流保护切除故障,不单独配置母线保护。
3)防孤岛措施
光伏电站内逆变器需具备防孤岛保护功能,逆变器的防孤岛保护主要有频率偏移、功率变动、电压相位跳动等检测手段,动作时间在100ms~1s。孤岛现象保护是逆变器并网保护中很重要、优先级别高的保护,要求光伏系统需要在电网失压2s以内停止向电网线路送电。
本期光伏电站并网点再配置1套独立的防孤岛保护装置,保护动作于光伏电站侧并网点开关。该套独立的防孤岛保护装置应包含过电压及低电压保护功能、过频率及低频率保护等功能,具备快速监测孤岛且立即断开与电网连接的能力,防孤岛保护动作时间不大于2s,其防孤岛保护应与电网侧线路重合闸和安全自动装置动作时间相配合。
4)频率电压紧急控制
本期在光伏电站侧配置1套频率电压紧急控制装置,在频率、电压超出允许范围后跳开光伏并网点开关。
![已过滤:Acrel-1000DP在上海奉贤平高食品4.4MW分布式光伏项目中的应用[2508201426]2412.png](https://img45.afzhan.com/9/20250925/638944019969550731105.png)
![已过滤:Acrel-1000DP在上海奉贤平高食品4.4MW分布式光伏项目中的应用[2508201426]2414.png](https://img58.afzhan.com/9/20250925/638944019972444446666.png)
![已过滤:Acrel-1000DP在上海奉贤平高食品4.4MW分布式光伏项目中的应用[2508201426]2416.png](https://img58.afzhan.com/9/20250925/638944019973694463781.png)
图 继电保护及安全自动装置现场实物图
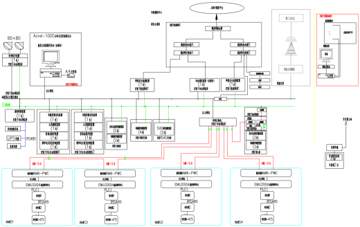
4.分布式光伏监控系统系统结构
本项目光伏电站配置1套安科瑞电气股份有限公司所提供的Acrel-1000DP分布式光伏电力监控系统具有保护、控制、通信、测量等功能,可实现光伏发电系统、开关站的全功能综合自动化管理。本项目逆变器、高低压设备等状态信号都要接入本监控系统。
本项目光伏电站监控系统包括两部分:站控层和就地层,网络结构为开放式分层、分布式结构。监控系统通过以太网与就地层相连,就地层按照不同的功能、系统划分,以相对独立的方式分散在逆变器区域或箱变中,在站控层及网络失效的情况下,就地层仍能独立完成就地各电气设备的监测。计算机监控系统通过远动通信装置通过专网与上海市调度平台实现远程通讯。
站控层由计算机网络连接的监控主机兼操作员站、远动通信装置等组成,提供站内运行的人机界面,实现管理控制就地层设备等功能,形成全站监控、管理中心,并具备与远方控制中心通信的接口。
就地层设备由智能测控单元、网络系统通讯单元、逆变器数据采集单元、多功能电能表等构成,主要电气设备包括汇流柜(根据实际设计确定是否需要)、逆变器、箱变、并网开关。它直接采集处理现场的原始数据,通过网络传送给站控层监控主站,同时接收站控层发来的控制操作命令,经过有效性判断、闭锁检测、同步检测等,最后对设备进行操作控制。
![已过滤:Acrel-1000DP在上海奉贤平高食品4.4MW分布式光伏项目中的应用[2508201426]2974.png](https://img58.afzhan.com/9/20250925/638944019975256990312.png)
图 监控系统网络结构图
4.1通信方案
本工程采取EPON方式为电厂与调度之间提供一个光缆数据传输通道。
在光伏电站新增ONU设备1套、24芯光配单元1套,建立本工程光伏发电站至上海市调的通信传输通道,将光伏电站的非实时电量信息及实时运行信息分别接入主站系统。另现场测试无线信号满足要求,做为备用通道。
4.2调度自动化
4.2.1调度自动化现状
目前上海市地调D5000系统接收有关发电厂、500kV、220kV变电站以及主要110kV变电站的远动信息,接收的远动信息主要来自于变电站计算机监控系统。
4.2.2调度关系及调度管理
本光伏电站所发电量自发自用,余电上网,发电系统性质为公用光伏系统。考虑到光伏电站的特殊性,本光伏电站按上海市市调设计。
4.2.3配置及要求
根据《地区电网调度自动化设计技术规程》、《国家电网公司光伏电站接入电网技术规定》以及国网上电司发展(2019)858号《国网上海市电力公司关于印发光伏发电接入上海配电网技术原则》、《国家电网分布式电源接入系统方案》XGF10-Z-1方案等有关文件进行本工程的系统调度自动化设计。主要设计范围为有关调度系统接口、光伏电站工程及系统内变电站远动设备通道要求及附属设备选择等。
(1)调度关系
本工程建成后,本工程光伏电站按上海市调管辖进行设计。
(2)电能量计费
测量、计量表计均按电力行业标准DL/T448-2016《电能计量装置技术管理规程》、江苏省地方标准DB32/991-2022《电能计量装置配置规范》、《国家电网公司光伏电站接入电网技术规定》的要求进行配置。
本项目在光伏电站侧配置主、副计费电能表各1块,等级为0.2S级。主表作为光伏电站上下网电量关口计量表,该关口计量表相关数据同步上传至江苏电网电能量计量系统。光伏电站出线柜处配置1个等级为0.2S级的参考表,精度要求参考发电关口计量。
电能表采用静止式多功能电能表,至少应具备双向有功和四象限无功计量功能、事件记录功能,配有标准通信接口,具备本地通信和通过电能信息采集终端远程通信的功能。根据《电能计量装置配置规范》(DB32/991-2022)要求,本工程电能表精度要求需达到0.2S级,计量用互感器的二次计量绕组应专用,不得接入与电能计量无关的设备,并且要求有关电流互感器、电压互感器的精度需分别达到0.2S、0.2级。
(3)电能质量监测装置
根据《国家电网公司光伏电站接入电网技术规定》以及《江苏省电力公司电能质量管理规定》的要求,本期在光伏电站侧装设满足IEC61000-4-30-2003《电磁兼容第4-30部分试验和测量技术一电能质量》标准要求的A类电能质量在线监测装置1套,监测电能质量参数,包括电压、频率、谐波、功率因数等。
(4)光伏电站群控群调系统
根据《电调〔2021〕44号 江苏电网分布式电源并网调度管理工作规范》第九条的要求:“分布式电源应接受并执行群控群调指令,其远动信息、电能量计量信息等数据应接入调度自动化系统及配电自动化系统”。本工程光伏电站侧按要求配置1套分布式电源采集控制装置,具备群控群调控制器功能,满足与上级调度主站、现场逆变装置之间的群控群调指令上送与下发。
为满足供电群控群调要求,以箱变为单位配置相应数据采集器,数据采集器采集逆变器数据后通过箱变测控上传至光伏电站监控系统。控制系统应具有快速响应的能力,以便及时调整系统参数并对外部环境的变化做出响应,响应时间控制在1min以内,响应精度小于1.5%。
5.系统功能
5.1实时监测
Acrel-1000DP分布式光伏监控系统人机界面友好,能够以配电一次图的形式直观显示配电线路的运行状态,实时监测各回路电压、电流、功率、功率因数等电参数信息,动态监视各配电回路断路器、隔离开关、地刀等合、分闸状态及有关故障、告警等信号。同时可以设计整体界面,供用户选择对应配电房对应光伏组件或高压部分进行查看。
![已过滤:Acrel-1000DP在上海奉贤平高食品4.4MW分布式光伏项目中的应用[2508201426]4587.png](https://img41.afzhan.com/9/20250925/638944019978102770844.png)
图 实时监测主界面图
5.2历史事件
Acrel-2000电力监控系统系统能够对遥信变位,保护动作、事故跳闸,以及电压、电流、功率、功率因数越限等事件记录进行存储和管理,方便用户对系统事件和进行历史追溯、查询统计、事故分析。可以按时间、类型、等级和设备进行查询。
![已过滤:Acrel-1000DP在上海奉贤平高食品4.4MW分布式光伏项目中的应用[2508201426]4718.png](https://img53.afzhan.com/9/20250925/638944019980084500825.png)
图 报警界面图
5.3电能质量在线监视界面
在电能质量监控图中,可以直接查看电能质量装置的运行状态、电流电压总有效值、电压波动、电压总畸变、正反向有功电能、有功、无功功率等电能质量信息。可以根据这些信息监测现场电能的质量,及时的做出应对方案。
![已过滤:Acrel-1000DP在上海奉贤平高食品4.4MW分布式光伏项目中的应用[2508201426]4839.png](https://img49.afzhan.com/9/20250925/638944019984590958280.png)
图 电能质量在线监视界面图
6.结语
分布式光伏发电系统依靠清洁、可再生的特点广泛应用,但发电量呈显著的非稳定特性,这对电力系统的稳定运行和经济效益构成了调成,因此分布式光伏项目并网时需要配置继电保护及安全自动装置并接受调度主站系统的调控,助力分布式光伏高比例有序并网,强化分布式光伏的统一管控,推动分布式光伏和大电网的协调运行,搭建数据透明、调控便捷、能源互动的新型分布式新能源调度管理体系。